Uljni distributivni transformator
Uljni distributivni transformatorOpis
Uljni distributivni transformatori su važna oprema u distributivnoj mreži i sistemima napajanja i distribucije industrijskih i rudarskih preduzeća. Ima prednosti kompaktne strukture, lijepog izgleda, male veličine, niske razine buke i jakog kapaciteta preopterećenja.
Uljni distributivni transformator je hermetički zatvorenog tipa i tipa konzervatora, transformator je primenljiv u postrojenjima, rudniku, naftohemijskim i drugim elektrodistributivnim sistemima klase 10KV za industriju i poljoprivredu. Takođe su popularni na lokacijama sa uljem i hemijskim supstancama.
Jednofazni distributivni transformator: Idealan za aplikacije manjeg kapaciteta kao što su stambeni kompleksi, poslovne zgrade itd. Uobičajene vrijednosti su 10 kVA, 25 kVA, 63 kVA.
Trofazni distributivni transformator: Koristi se za veće kapacitete u industrijskim postrojenjima, velikim stambenim kompleksima itd. Neke uobičajene vrijednosti za trofazne distributivne transformatore su 25kVA, 40kVA, 63kVA, 100kVA, 160kVA, 200kVA, 315kVA, itd.
Transformator montiran na podlogu
|
Ocjena snage |
45kVA~6000kVA |
|
Primarne ocjene napona |
do 35kV |
|
Recenzije sekundarnog napona |
do 24,94kV |
|
HV Tap Range |
±2×2,5% ili drugi |
|
Vrsta veze |
Delta/Wye |
|
Winding Conductor |
Bakar ili aluminijum |
|
TYPE |
Loop feed / Radial feed |
|
Konfiguracija |
Živi front / mrtvi front |
|
BIL |
30-150kV |
|
Standardi |
ANSI, IEEE, DOE, CSA, NEMA, UL |
|
Aplikacija |
Stambene oblasti, hoteli, kuće za jednu porodicu, parkovi, distributivni sistemi |
|
Vrsta ulja |
Mineralno ulje ili biorazgradivo prirodno biljno ulje, bez PCB tečnosti |
|
Završna boja |
Bell Green |
|
Enclosure Rating |
NEMA 3R Ormarić za ožičenje otporan na vremenske uslove, zapečaćeni rezervoar |
Transformator montiran na stub
|
Ključni atributi |
|
|
Atributi specifični za industriju |
|
|
Proizvod |
Jednofazni transformator punjen uljem na stup |
|
Faza |
Single |
|
Broj namotaja |
Autotransformator |
|
Ostali atributi |
|
|
Mjesto porijekla |
Zhejiang, Kina |
|
Broj modela |
Jednofazni transformator |
|
Nazivni kapacitet |
Od 10kva do 333kva |
|
Visok napon |
34,5 kV i ispod |
|
Nizak napon |
120/240/277/480V |
|
Frekvencija |
50/60Hz |
|
Standard |
IEC, ANSI, IEEE, CSA |
|
Vektorska grupa |
I0, Ii6 |
|
Materijal |
Aluminij/bakar |
|
Aplikacija |
Ruralna električna mreža, udaljena planinska područja, raštrkana sela, poljoprivredna proizvodnja, rasvjeta, potrošnja energije, željeznica, gradska elektroenergetska mreža |
|
Tip |
Transformator uronjen u ulje |
|
Feature |
Low Loss |
Sljedeća tabela je standardni parametar konvencionalnog transformatora montiranog na stup.
|
KAPACITET (kVA) |
η(%) |
ε(%) |
Io(%) |
CORE LOSS (W) |
GUBITAK BAKRA (W) |
DIMENZIJA (MM) |
ULJE (L) |
TOTAL WT (kg) |
||
|
W |
D |
H |
||||||||
|
10 |
97.2 |
3 |
1.9 |
45 |
180 |
440 |
520 |
940 |
30 |
100 |
|
15 |
97.3 |
3 |
1.8 |
58 |
215 |
450 |
530 |
970 |
30 |
130 |
|
25 |
97.5 |
2.8 |
1.7 |
82 |
295 |
500 |
580 |
980 |
40 |
180 |
|
37.5 |
97.7 |
2.6 |
1.6 |
110 |
400 |
520 |
600 |
1000 |
40 |
220 |
|
50 |
98.1 |
1.9 |
1.5 |
140 |
490 |
540 |
630 |
1060 |
45 |
280 |
|
75 |
98.2 |
1.8 |
1.4 |
200 |
700 |
590 |
670 |
1100 |
55 |
380 |
|
100 |
98.3 |
1.7 |
1.3 |
260 |
900 |
680 |
680 |
1120 |
60 |
450 |
|
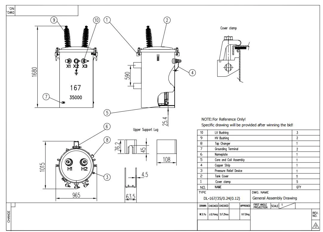
167 |
98.4 |
1.6 |
1.2 |
450 |
1500 |
710 |
800 |
1190 |
80 |
580 |
|
250 |
98.5 |
1.5 |
1.1 |
650 |
2250 |
980 |
950 |
1350 |
215 |
980 |
|
333 |
98.6 |
1.4 |
1 |
800 |
3000 |
1040 |
960 |
1400 |
240 |
1100 |
Test Item
√ Test otpora namotaja
√ Test otpornosti izolacije
√ Test greške omjera napona
√ Test impedance kratkog spoja
√ Test gubitka (snage) bez opterećenja
√ Test gubitka opterećenja (snaga).
√ Ispitivanje otpornosti na inducirani napon
√ Test otpornosti na napon odvojenog izvora
√ Test integriteta pod pritiskom


Distribution Transformer Pictures





Ambalaža distributivnog transformatora


Često postavljana pitanja (FAQ)
Popularni tagovi: distribucijski transformator uronjen u ulje, proizvođači, dobavljači, tvornica u Kini, таратыу трансформаторында тенденциялар, хеҙмәтләндереүҙе бушлай таратыу трансформаторы, көсөргәнеш көйләү бүлергә трансформатор, етешһеҙлектәргә сыҙамлы таратыу трансформаторы, юғалтыуҙарҙы бүлергә түбән трансформатор, артыуҙы һаҡлау бүлергә трансформатор



